
| 公稱通徑 | DN50~DN1200(mm) |
| 壓力等* | PN1.0、1.6、2.5、4.0MPa |
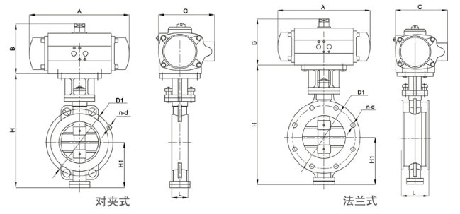
| 連接方式 | 對夾式、法蘭連接 |
| 密封形式 | 金屬硬密封 |
| 驅動方式 | 氣源驅動,壓縮空氣5~7bar(可帶手輪) |
| 動作范圍 | 0~90° |
| 閥體材質 | 碳鋼、不銹鋼304、不銹鋼316 |
| 工作場合 | 水、蒸氣、油品、酸類腐蝕性等(可高壓高溫場合) |
| 溫度范圍 | 碳鋼:-29℃~450℃ 不銹鋼:-40℃~450℃ |
| 控*方式 | 開關模式(開關兩位控*,氣開、氣關式)、智能調節型(4~20mA模擬量信號)、彈簧復位 |

| 供氣壓力 | 0.4~0.7MPa |
| 氣源接口 | G1/4"、G1/8"、G3/8"、G1/2" |
| 環境溫度 | -30~+70℃ |
| 作用形式 | 單作用執行機構:氣關式(B)--失氣時閥位開(FO);氣開式(K)--失氣時閥位關(FC) 雙作用執行機構:氣關式(B)--失氣時閥位保持(FL);氣開式(K)-- 失氣時閥位保持(FL) |
| 可配附件 | 定位器、電磁閥、空氣過濾減壓器、保位閥、行程開關、閥位傳送器、手輪機構等 |